CPR5-01
CPR5-01
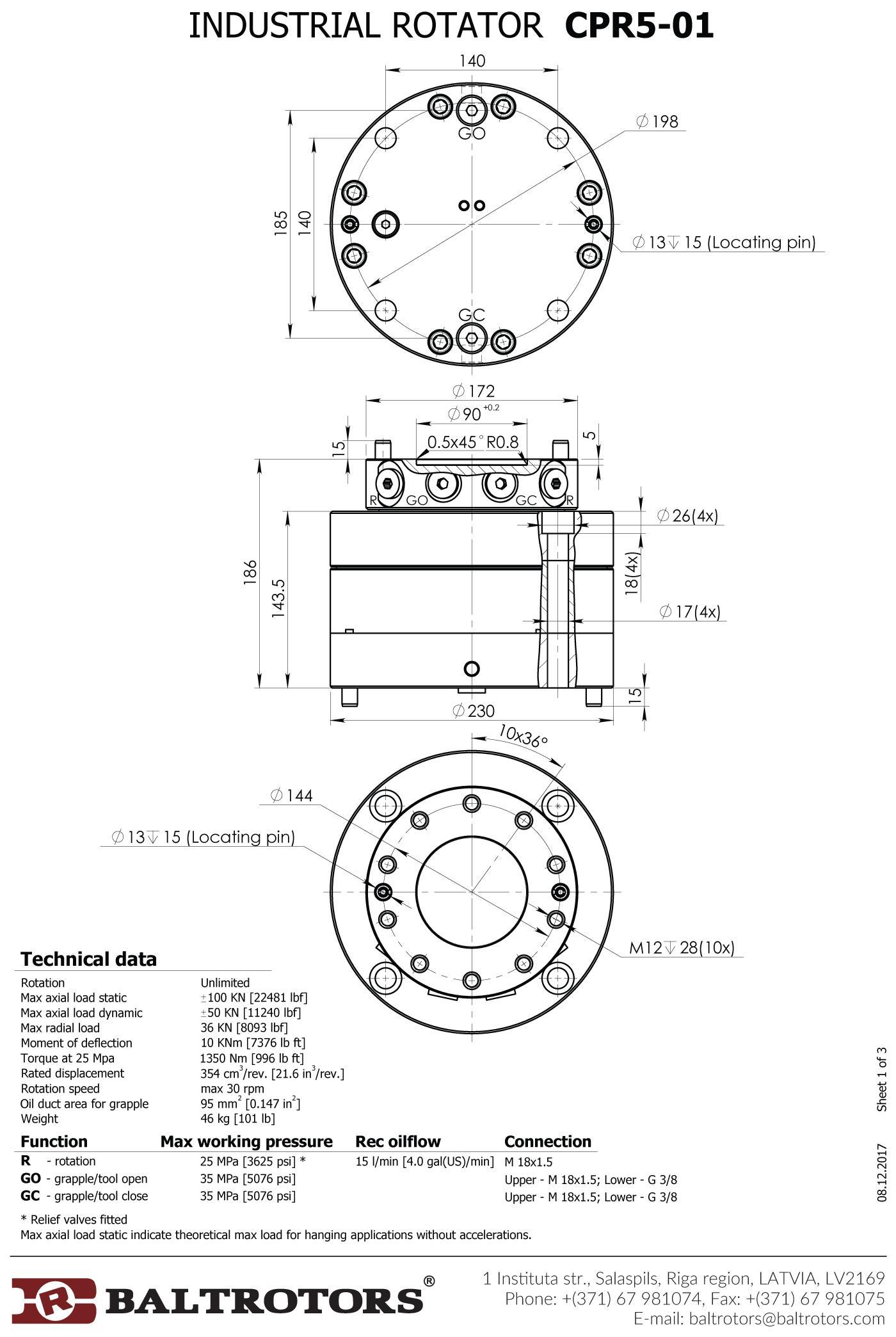
Description
Compact radial piston type rotator, rotates and positions the cargo in a precise and controlled manner.
Version with hose outlet connections to the bottom.
Max axial load static - theoretical maximum load (without accelerations) for link mounted applications.
Technical specification
Dimensions
Compatible products
|
|
Max. axial load static | ±100 kN (22481 lbf) |
|
|
Max. axial load dynamic | ±50 kN (11240 lbf) |
|
|
Max radial load | 36 kN (8093 lbf) |
|
|
Deflection | 10 kNm (7376 lb ft) |
|
|
Torque | 1350 Nm (996 lb ft) |
|
|
Weight | 46 kg |